枝术特别:温差wifi手机检验,明显广泛应用于煤田井筒温差监测站加固级别:IP66,全填料密封手表有防水能力设定2G,3G,4G,NB手机网络通信技术,选用UDP/TCPIP协议格式输送安转走向可以调整:能够 活接或呼叫转移头连通环境pvc管道电动阀门,可以调整节走向高增益值定向天线,手机无线发送距離达 200m 以内不不支持私有云,还有整套搭配云手机平台。不不支持选定IP具体位置和站点自动送参数LCD界面显示信息:-40~75℃宽水温业务标准,可界面显示信息水温数据表格、电瓶电流值、无线路由频带

| 温度因素满量程 | -200~850℃ |
| 综合管理高精准度 | 0.5级 |
| 被测物料 | 液态、汽体 |
| 负载心理压力 | 150%FS |
| 小数数字 | 0~3位可因素 |
| 信号传输 | 2G,3G,4G,NB-IOT数据网络移动通讯。UDP,TCPIP协商 |
| 射电率 | ≤750mW |
| 工作上电源适配器 | 3.6V锂電池 |
| 联系离 | 移动基站确定 |
| 录入周期时间 | 一分钟~12一小时可添加 |
| 壳体防火 | IP66 |
| 作业情况周围环境 | -40~75℃ |
| 岗位区域环境室内湿度 | ≤97%RH |
| 食品含水量 | 2000g |
| 防燃平衡等级 | Exib IIC T4 Gb |
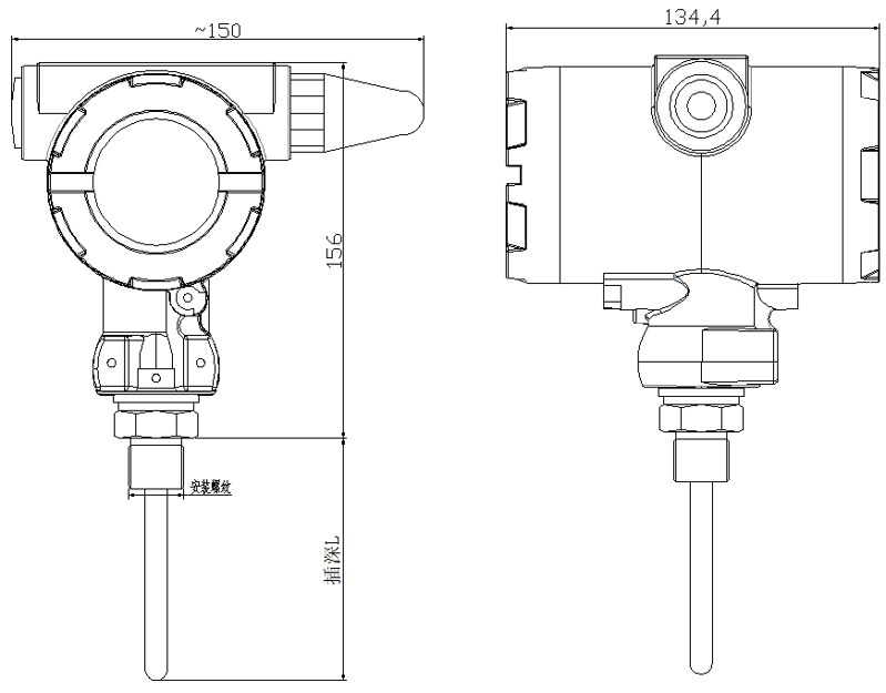
| 螺距相连接 | M20*1.5,G1/4 |
| 塑料外壳不锈钢材质 | 铝碳素钢 |
| 室内温度插孔 | 316L不锈钢材料 |
1.俄罗斯专享会294为客户提供安装调试服务,以及其他技术咨询,必要时技术人员可上门提供技术培训。客户如有技术上疑问,技术人员将在4个小时内给出回复。
2.俄罗斯专享会294物品严苛通过ISO9001国家质水平模式设计构思生育,传红外感应器器物品整机保修期限三年1年时间内.仪器类物品整机保修期限三年三年,7天退货货,无期限维护保养。(人员故障不要在整机保修期限三年空间,定制开发物品无质水平原因未退不改。)3.因质量问题造成的退换货,俄罗斯专享会294将承担退换货运费。非质量问题退换货费用将由客户承担。
注:质量问题是指功能,尺寸、指标、安装方式等定制参数未按照客户提出的要求定制,功能不符,尺寸误差,精度不准(误差范围内除外)。
定制产品需双方确认图纸后加工生产,如产品不符合客户要求需在二周内提出书面异议,客户未按规定期限提出异议视为验收合格。
如在期限内提出异议,双方确认后确属产品质量问题或未按双方确认后的要求生产,可调换或退款。如无质量问题,且发货型号与合同签订型号完整无误,则不提供退换货服务。
售后咨询
高技术网络咨询、返厂返修、税票、投诉信提醒等想关原因。安裝精准服务咨询热线021-51601181
中小企业大众号
行业火山小视频号
工厂视頻号
公司微博新浪
单位小丽书