微压压力传感器采用进口微压扩散硅感压芯片,全不锈钢封焊结构,具有良好的防潮能力及优异的介质兼容性。适用于介质压力微弱的场合测量与控制,如油漆、饮料等液体的瓶、罐包装物的检漏。其特点是高精度、高灵敏度,适用于对微小压力变化敏感的场景,比如通风管道风压、室内气压、医疗设备(如呼吸机)气压、环境监测中的微小压差等。核心作用是捕捉细微压力差异,为精密控制、环境监测等提供数据支持。
具有广泛性采用于 HVAC 平台、医药、环保标准等方向。
| 分度值 | -100~100kPa/0~200kPa |
| 结合精确 | 0.25%F·S、0.5%F·S |
| 打出预警 | 4~20mA(二线城市制)、0~5V、1~5V、0~10V(3线制) |
| 送电的电压 | 24DCV(9~36DCV) |
| 媒介湿度 | -20~75℃ |
| 大环境湿度 | -20~75℃ |
| 电动机扭矩电阻器 | 电流值打出型:大800Ω;直流电压打出型:不低于50KΩ |
| 耐压热敏电阻 | 超出2000MΩ(100VDC) |
| 密封垫品级 | IP65 |
| 常期稳定性高机械性能 | 0.1%F·S/年 |
| 机械振动影响到 | 在机械设备制造振动模式工作频率20Hz~1000Hz内,转换发展超过0.1%F·S |
| 机械接口协议 | 赫斯曼接浏览器插件 |
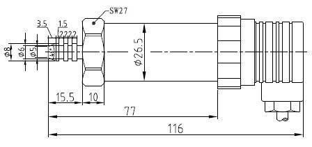
| 螺孔相连 | Φ8快捷连接管,另一个螺纹标准可保证朋友规定设定 |
1.俄罗斯专享会294为客户提供安装调试服务,以及其他技术咨询,必要时技术人员可上门提供技术培训。客户如有技术上疑问,技术人员将在4个小时内给出回复。
2.俄罗斯专享会294物品坚持原则遵照ISO9001世界护肤品质机制制作产出,调节器器物品整机保修一年半年.义表类物品整机保修一年一年,7天退货退款货,终身的保修。(不可避免破坏都在整机保修一年比率,全屋定制物品无护肤品质一些问题没退只换。)3.因质量问题造成的退换货,俄罗斯专享会294将承担退换货运费。非质量问题退换货费用将由客户承担。
注:质量问题是指功能,尺寸、指标、安装方式等定制参数未按照客户提出的要求定制,功能不符,尺寸误差,精度不准(误差范围内除外)。
定制产品需双方确认图纸后加工生产,如产品不符合客户要求需在二周内提出书面异议,客户未按规定期限提出异议视为验收合格。
如在期限内提出异议,双方确认后确属产品质量问题或未按双方确认后的要求生产,可调换或退款。如无质量问题,且发货型号与合同签订型号完整无误,则不提供退换货服务。
售后咨询
技术工艺咨询了解、返厂维修精准服务、增值税专票、客户投诉建立等相关联原因。售后精准服务精准服务咨询热线021-51601181
公司社会头条
中小企业火山小视频号
工厂视頻号
中小型企业微博号
客户小丽书