
| 分度值 | 微压:0~100kPa 卧式储罐:0.1~6MPa 低压:6~60MPa |
| 综上精密度 | 0.25%F·S、0.5%F·S |
| 传输数据信号 | 4~20mA(二线城市制)、0~5V、1~5V、0~10V(3线制) |
| 供电公司电流值 | 24DCV(9~36DCV) |
| 媒介高温 | -20~85℃ |
| 区域环境气温 | -20~85℃ |
| 电动机扭矩内阻 | 电流量转换型:最高800Ω;的电压转换型:不低于50KΩ |
| 隔热电容 | 高于2000MΩ(100VDC) |
| 密封档次 | IP65 |
| 持续比较稳定的性能 | 0.1%F·S/年 |
| 运动影响力 | 在机械装备振动幅度大速率20Hz~1000Hz内,工作输出发生改变大于0.1%F·S |
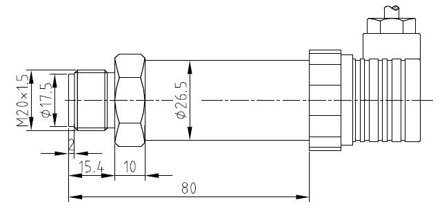
| 自动化机械连结 | M20*1.5、G1/2-14等,别的螺牙可依照企业规定要求来设计 |
1.俄罗斯专享会294为客户提供安装调试服务,以及其他技术咨询,必要时技术人员可上门提供技术培训。客户如有技术上疑问,技术人员将在4个小时内给出回复。
2.俄罗斯专享会294设备严厉按ISO9001国.际水平安全体系制定生产销售,感知器设备线质量保证在一年.设备类设备线质量保证一年,7天换货货,一生售后维修。(人为性搞坏不在于线质量保证比率,全屋定制设备无水平情况拒退不更换。)3.因质量问题造成的退换货,俄罗斯专享会294将承担退换货运费。非质量问题退换货费用将由客户承担。
注:质量问题是指功能,尺寸、指标、安装方式等定制参数未按照客户提出的要求定制,功能不符,尺寸误差,精度不准(误差范围内除外)。
定制产品需双方确认图纸后加工生产,如产品不符合客户要求需在二周内提出书面异议,客户未按规定期限提出异议视为验收合格。
如在期限内提出异议,双方确认后确属产品质量问题或未按双方确认后的要求生产,可调换或退款。如无质量问题,且发货型号与合同签订型号完整无误,则不提供退换货服务。
售后咨询
技巧资询、返厂售后维修服务保障维修、单据、投诉举报推荐等有关于话题。售后维修服务保障服务保障电话021-51601181
的企业新闻媒体号
各个企业逗音号
商家视頻号
行业微博微博
中小企业小丽书