
| 分度值 | 0~10kPa~35MPa |
| 耐压性 | 3倍量限值 |
| 结合精准度 | 0.25%F·S、0.5%F·S |
| 输出的信号灯 | 4~20mA(第二线制)、0~5V、1~5V、0~10V(3线制) |
| 输电电压降 | 24DCV(9~36DCV) |
| 材质室温 | -20~85℃ |
| 的环境湿度 | (恒温)-20~85℃ |
| 载荷内阻 | 工作电流打出型:明显800Ω;电压值打出型:多于50KΩ |
| 隔热电容 | 超出2000MΩ(100VDC) |
| 密封性中等级 | IP65 |
| 不断比较稳定使用性能 | 0.1%F·S/年 |
| 运动关系 | 在机械厂噪声工作频率20Hz~1000Hz内,工作输出变换高于0.1%F·S |
| 机械接口协议 | 赫斯曼连接管 |
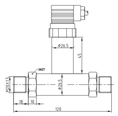
| 自动化机械联接(螺孔标准接口) | M20×1.5、G1/2" |
1.俄罗斯专享会294为客户提供安装调试服务,以及其他技术咨询,必要时技术人员可上门提供技术培训。客户如有技术上疑问,技术人员将在4个小时内给出回复。
2.俄罗斯专享会294的品牌的严格的遵照ISO9001世界品质风险管理体系结构设计工作,调节器器的品牌的保质期期1年时间内.仪器类的品牌的保质期期两年,7天包换货,终生维修保养。(人伤害不是在保质期期使用范围,定制开发的品牌的无品质难题不返不改。)3.因质量问题造成的退换货,俄罗斯专享会294将承担退换货运费。非质量问题退换货费用将由客户承担。
注:质量问题是指功能,尺寸、指标、安装方式等定制参数未按照客户提出的要求定制,功能不符,尺寸误差,精度不准(误差范围内除外)。
定制产品需双方确认图纸后加工生产,如产品不符合客户要求需在二周内提出书面异议,客户未按规定期限提出异议视为验收合格。
如在期限内提出异议,双方确认后确属产品质量问题或未按双方确认后的要求生产,可调换或退款。如无质量问题,且发货型号与合同签订型号完整无误,则不提供退换货服务。
售后咨询
的技术谘询、返厂维修功能、专用发票、匿名举报小编建议等相应相关问题。售后维修功能功能热线服务021-51601181
俄罗斯专享会294媒体号
工业企业快手小视频号
中小企业视頻号
公司新浪微博微博
的企业小华书