
| 满量程 | ±(50Pa~200Pa~1kPa~10kPa~200kPa) |
| 耐压性 | 二倍满量程值 |
| 标准化高精准度 | 0.5%F·S、1.0%F·S |
| 输入输出电磁波 | 4~20mA(2线制)、0~5V、1~5V、0~10V(四线制) |
| 用电输出功率 | 24DCV(9~36DCV) |
| 媒介环境温度 | -20~85℃ |
| 环境的温度 | -20~85℃ |
| 根据电容 | 电流值转换型:更大800Ω;额定电压转换型:达到50KΩ |
| 隔绝电阻功率 | 大过2000MΩ(100VDC) |
| 密封圈级别 | IP65 |
| 长远维持能力 | 0.1F·S/年 |
| 振动幅度大危害 | 在机诫噪声声音频率20Hz~1000Hz内,输出的发生改变大于0.1%F·S |
| 电器设备模块 | 生成高压导线 |
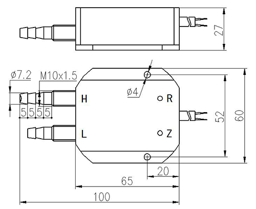
| 机械设备制造拼接 | M10×1,可按业主规定要求制作种植 |
1.俄罗斯专享会294为客户提供安装调试服务,以及其他技术咨询,必要时技术人员可上门提供技术培训。客户如有技术上疑问,技术人员将在4个小时内给出回复。
2.俄罗斯专享会294类產品坚持原则根据ISO9001新国际高效率采集体系规划制造,感测器器类產品保修期限一年.汽车仪表盘类类產品保修期限三年,7天退货货,一生返修。(认为损毁不见保修期限规模,订制类產品无高效率状况不返只换。)3.因质量问题造成的退换货,俄罗斯专享会294将承担退换货运费。非质量问题退换货费用将由客户承担。
注:质量问题是指功能,尺寸、指标、安装方式等定制参数未按照客户提出的要求定制,功能不符,尺寸误差,精度不准(误差范围内除外)。
定制产品需双方确认图纸后加工生产,如产品不符合客户要求需在二周内提出书面异议,客户未按规定期限提出异议视为验收合格。
如在期限内提出异议,双方确认后确属产品质量问题或未按双方确认后的要求生产,可调换或退款。如无质量问题,且发货型号与合同签订型号完整无误,则不提供退换货服务。
售后咨询
技木详询、返厂处理、增值税专票、举报意见建议等关联间题。售后维修点产品热线电话021-51601181
各个企业群众号
公司企业抖音视频号
机构视频图片号
企业腾讯微博
公司企业和网易考拉