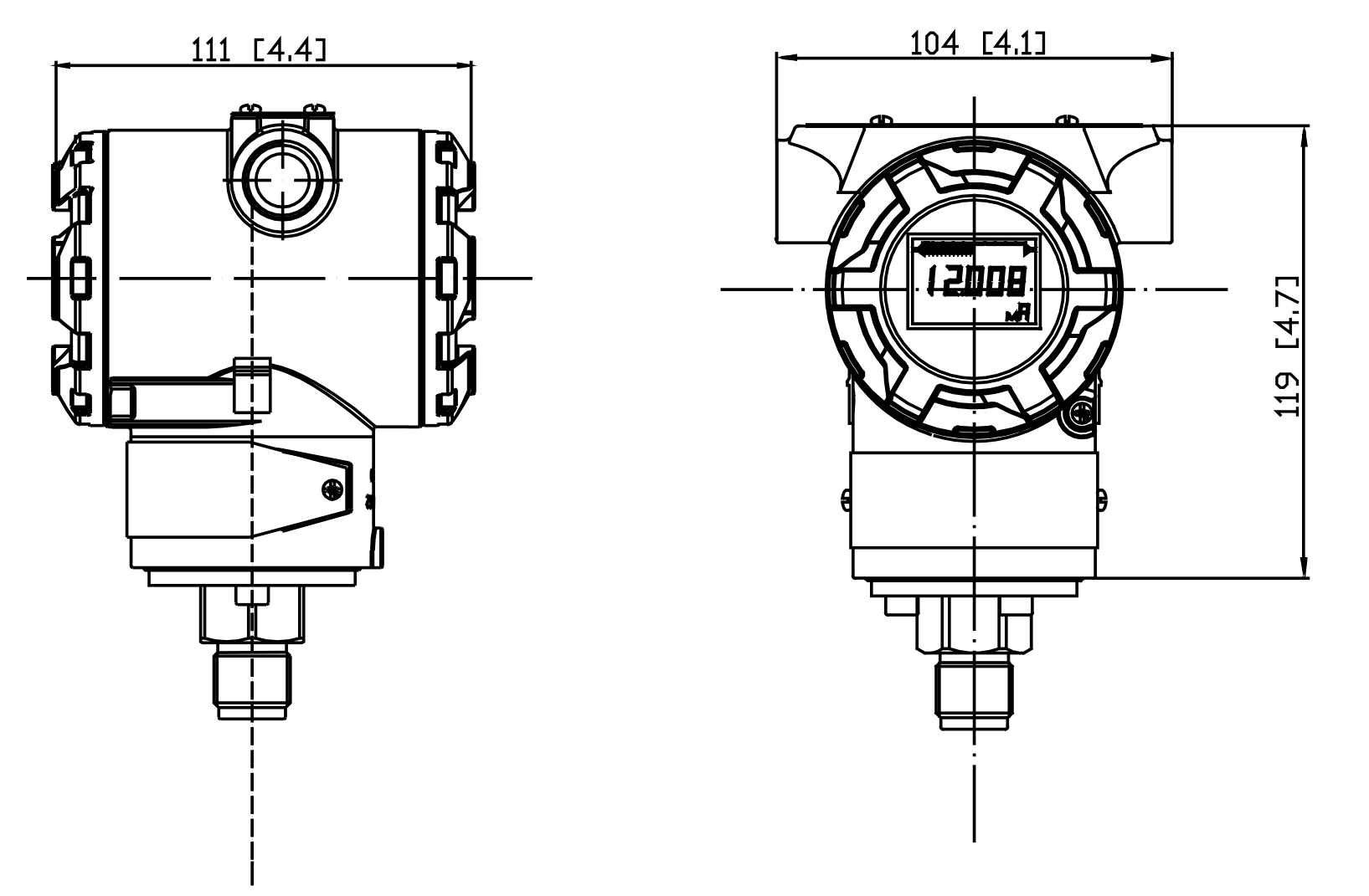
单晶硅压力变送器使用0.075%高精比热容,比较稳定量分析好,适用自动测量液态体、甲烷气体或水汽的液位、比热容、气压,再将其塑造成4-20mAHART感应电流数字信号内容输出,也可与HART375或BST Modem双方光纤通信,利用孩子们开始叁数设置好、整个过程把握。与传统的压力变送器的不同就在于它安全使用的是納米多晶硅硅作为一个感应器器村料。配备5位带背光LCD数据界面凸显仪;好几种界面凸显效果(pa,kpa,Mpa,%,psi)内置式三侧键比较方便开始就地调控效果;配备各种各样的抗灼伤村料;全部自诊断报告效果。为测试范围(0~6kpa)测试范围比:3:1,中测试范围测试范围比:4:1,明显测试范围比:4:1。智能化会影响来征收土地赔偿和温暖来征收土地赔偿,保证智能变送器受到温暖、会影响与过压的会影响,将现场图的综上测试误差度把控到最高,可开始高合理度测试正负极整点转至,无须开始平滑度调控。
具有广泛性软件应用于中国石油所有与大自然气区域,电能区域,水加工处理与绿色区域,飞防航空工业与国防军事等区域。

| 分度值 | 0~60MPa |
| 高精度 | 0.075%FS |
| 输送信息 | DC4~20mA+HART意向书 |
| 充许载荷电容 | 0~600Ω(DC24V时)注:与手握式通信系统器做网络通讯时,必须要 规定(250Ω)的电流电阻功率 |
| 开关电源 | 通常情况作用:DC10.5~45V;本安防系统爆:DC10.5~26V |
| 网络通信的线路状况 | 线路长度:最长2km(0.75~1.25mm²控制仪表用电缆,超过1km时使用双绞电缆) 负载电阻:250~600Ω(DC24V,包含电缆电阻) 负载电容:0.55mF以下 负载电感:3.3mH以下 动力线的间隔:15cm以上(请避免平行配线) |
| 过剩瞬时电流 | 最大值20.8mA;上限3.8mA |
| 报警声音瞬时电流 | 低限22.8mA;低限3.6mA (方法可设计) |
| 修整系统 | 零点、满量程点可从通过外壳顶部三按键进行带就地调整或者可利用组态软件进行 远程调整 |
| 输入途径 | 非线性输入精度;多平方米根输入精度(可凭借组态应用使用远程视频设定) |
| 生活工作温度因素 | -40~+85℃(充灌氟油时:-10~+60℃)) |
| 日常的储存温暖 | -40~+90℃ |
| 耐油性 | DIN40040GPC |
| EMC支持要求 | EN1326-1:2006 |
| 平方怎么算根读取可靠性强,精密度 | 输出:≥50% 精度:同参考精度;输出:50%~下降点 精度:参考精度 ×50/平方根 输出(%) |
| 电损害 | ±0.005%/1V |
| 组装地方会影响 | 与膜片面平行方向的安装位置变化不会造成零漂影响,若安装位置与膜片面超过 90°的变化, 在0.4KPa范围内的零漂可通过调零校准 |
| 相应准确时间 | 90ms |
| 阻尼 | 时间段常数可在0~99.9秒内修整 |
| 滤波常数 | 可在0~160uA内修整 |
| 自稳指数 | 可在0~2%内更改 |
1.俄罗斯专享会294为客户提供安装调试服务,以及其他技术咨询,必要时技术人员可上门提供技术培训。客户如有技术上疑问,技术人员将在4个小时内给出回复。
2.俄罗斯专享会294货品非常严格依据ISO9001香港国际水平机制设汁种植,调节器器货品整机维修期三年2年.电子仪表类货品整机维修期三年三年,7天退货货,无期限维修培训。(人为因素破坏不是在整机维修期三年使用范围,环保定制家具货品无水平事情不返没换。)3.因质量问题造成的退换货,俄罗斯专享会294将承担退换货运费。非质量问题退换货费用将由客户承担。
注:质量问题是指功能,尺寸、指标、安装方式等定制参数未按照客户提出的要求定制,功能不符,尺寸误差,精度不准(误差范围内除外)。
定制产品需双方确认图纸后加工生产,如产品不符合客户要求需在二周内提出书面异议,客户未按规定期限提出异议视为验收合格。
如在期限内提出异议,双方确认后确属产品质量问题或未按双方确认后的要求生产,可调换或退款。如无质量问题,且发货型号与合同签订型号完整无误,则不提供退换货服务。
售后咨询
新技术询问、返厂维修费、专用发票、投拆建立等关联事情。售后维修服务于热线电话021-51601181
中小型企业民众号
工厂抖音视频号
中小型企业视頻号
单位消息
工厂聚美优品书