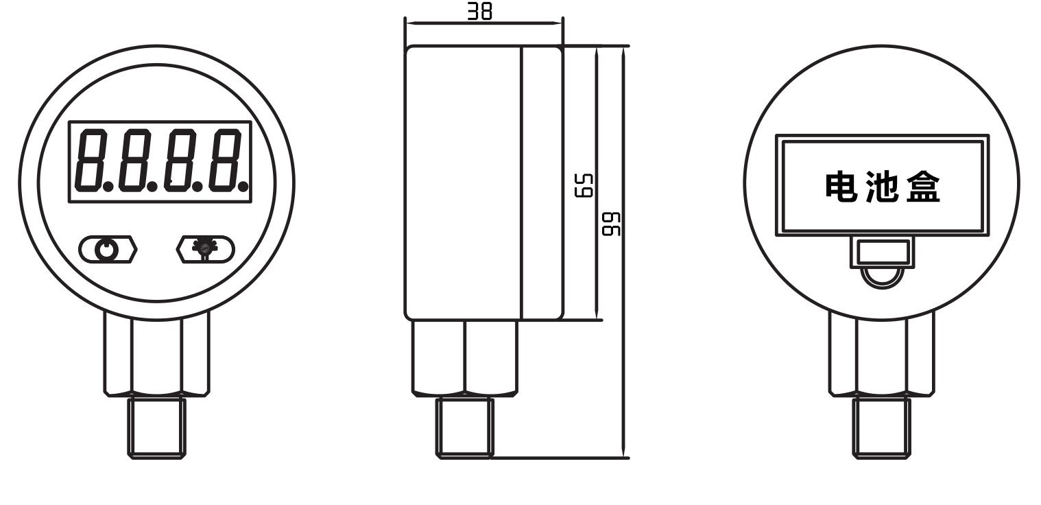
高技术共同点:两位lcd屏凸显屏,重启凸显测量范围多重水压基层单位更换、清空、背光、按钮机等功效低功率设计的,2节7号充电壳继航过去了12~24三个月全铝合金设备壳,孔径60mm,体积计算小可检测水、热空气、油等有机溶剂
数显压力表,内部设置高定位精度,能正确实时交通表示心理压值,然而兼备可靠性强,精密较高、长远不稳性好的共同点。这一款心理压值表主要包括LCD表示屏,兼备重置、背光、按钮机、公司切换桌面、低电阻值报案等多重功能模块,进行操作简约,连接简单。YL-809不错在测量水、油、氧气等对冷库保温隔热板的表层无腐化的媒介,更适合心理压值容器类、重新化机 、调查室机 配套设施利用。
大面积应该用于水利水电工程工程、清洁能源、精细化工、水利水电工程、科技实验设计、中国航空航天材料工程、军工行业、医治机 、工业企业自动的化等研究方向。

| 量 程 | 负压/复合:-0.1~0MPa 常规:0.16~25MPa |
| 装设界面 | G1/4,M14*1.5 |
| gps精度品级 | 1% |
| 展示数字 | 4位LCD界面显示 |
| 背 光 | 黑色背光 |
| 尺 寸 | 厚度60mm |
| 供 电 | 3V(两节7号干电池) |
| 功 耗 | <0.001W(均衡耗电) |
| 护壳材质原料 | 304不锈钢装饰管吗 |
| 接口协议在材质 | 304不锈钢装饰管吗 |
| 充电换成 | 通常情况下每12~24八个月根换一遍锂电(以具体使用的跳电池寿命时以) |
| 的使用室温 | -20~50℃ |
| 职能 | 1、开机/关机;2、一键清零;3、单位切换;4、背光开启; 5、最大值最小值记录 |
| 安全认证策略 | CE认真 |
1.俄罗斯专享会294为客户提供安装调试服务,以及其他技术咨询,必要时技术人员可上门提供技术培训。客户如有技术上疑问,技术人员将在4个小时内给出回复。
2.俄罗斯专享会294好的企业物品严苛,并按照ISO9001国际性服务效果装修标准设定种植,传红外感应器器好的企业物品保质期期在一年.汽车仪表盘类好的企业物品保质期期5年,7天退货退款货,一生检修。(人损伤找不着保质期期面积,环保定制家具好的企业物品无服务效果问題没退不更换。)3.因质量问题造成的退换货,俄罗斯专享会294将承担退换货运费。非质量问题退换货费用将由客户承担。
注:质量问题是指功能,尺寸、指标、安装方式等定制参数未按照客户提出的要求定制,功能不符,尺寸误差,精度不准(误差范围内除外)。
定制产品需双方确认图纸后加工生产,如产品不符合客户要求需在二周内提出书面异议,客户未按规定期限提出异议视为验收合格。
如在期限内提出异议,双方确认后确属产品质量问题或未按双方确认后的要求生产,可调换或退款。如无质量问题,且发货型号与合同签订型号完整无误,则不提供退换货服务。
售后咨询
科技询问、返厂维修费、增值税发票、客户投诉可以等对应现象。售后维修点服務热线电话021-51601181
中小企业群众号
客户小咖秀号
制造业企业视频播放号
的企业新浪微博微博
各个企业小华书